Hydrostab Plutitor Mac5 pentru ape uzate de canalizare pentru controlul nivelului, 20 m cablu

Hydrostab
548,06 Lei 456,04 Lei
In stoc

Durata de livrare: 1 - 2 zile

Limita stoc
Adauga in cos
Cod Produs: 0940036 Ai nevoie de ajutor? 0753-852-922
Adauga la Favorite Cere informatii
  • Descriere
  • Review-uri (0)

✅ Plata la curier / plata online cu cardul:

✅ Deschiderea coletului la livrare:

✅ Cumpărături 100% sigure:

✅ Drept de retur: 14 zile:

✅ Garantie: 24 Luni / 2 Ani:

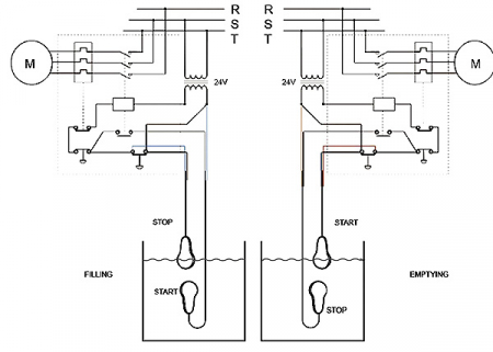
Regulatorul Mac5 are un corp greu, voluminos si extrem de neted, ceea ce il face ideal pentru utilizare in apele reziduale. Utilizat de obicei pentru statiile subterane cu panou de control, dar poate fi montat si direct pe pompa. Plutitorul este realizat dintr-o camera dubla rezistenta la lichid si o contragreutate incorporata in carcasa.

Curent de lucru: 10 (8) A 250V
Temperatura de lucru: 0°С ÷ 50°С
Temperatura de depozitare: -10°C ÷ +60°C
Grad de protectie: IP 68
Unghi de comutare: ±45°
Material carcasa: polipropilena non-toxica (PP)
Cablu: PVC 3X1 H05VV-F
Dimensiuni (mm - ∅xh ): 117x222
Greutate(g): 1100
Nivel maxim de adancime (m): 20
Material contragreutate: Polistiren, galben cu umplutura de nisip si aschii de metal
Informatii conformitate produs
Daca doresti sa iti exprimi parerea despre acest produs poti adauga un review.

Review-ul a fost trimis cu succes.

Suport clienti 08:00 - 18:00 Luni - Vineri (comenzi online non-stop)

0753-852-922 contact@viata-la-tara.ro

Compara produse

Trebuie sa mai adaugi cel putin un produs pentru a compara produse.

A fost adaugat la favorite!

A fost sters din favorite!